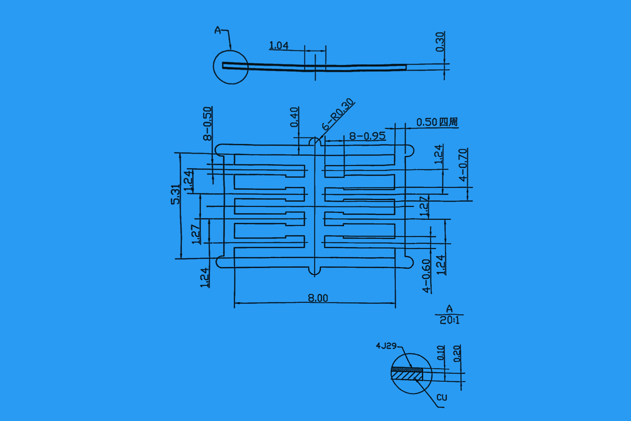
材料特点:兼具铜的高导热性、导电性和可伐合金的低膨胀系数、尺寸稳定性,界面结合牢固,加工性能良好,能实现电、热与结构的协同优化。
应用场景:封装热沉材料、高功率电子器件封装结构、精密连接器、航空航天电子设备的热管理与结构部件等。
应用领域:广泛应用于电子、航空航天、电力电子等领域,尤其在需要同时解决热管理与结构匹配的高端封装场景中具有显著优势。





